全部產品分類
關節軸承
INA
NTN
SKF
滾針軸承
FAG
INA
NTN
SKF
IKO
調心球軸承
FAG
KOYO
NACHI
NSK
NTN
SKF
推力球軸承
FAG
KOYO
NACHI
NSK
NTN
SKF
深溝球軸承
FAG
INA
KOYO
NACHI
NSK
NTN
角接觸球軸承
FAG
INA
KOYO
NACHI
NSK
NTN
調心滾子軸承
FAG
KOYO
NACHI
NSK
NTN
SKF
推力滾子軸承
INA
KOYO
NACHI
NSK
NTN
SKF
圓錐滾子軸承
FAG
KOYO
NACHI
NSK
NTN
SKF
圓柱滾子軸承
FAG
INA
KOYO
NACHI
NSK
NTN
帶座外球面球軸承
FAG
NSK
NTN
SKF
網站首頁
軸承品牌
型號目錄
型號查詢
軸承新聞
軸承資料
關于我們
聯系我們
您所在位置:
恩梯必傳動
>
SKF軸承
> GE40ES軸承
GE40ES
更新日期:
型號:GE40ES
品牌:SKF軸承
系列:關節軸承
內徑(d):40mm
外徑(D):62mm
厚度(B):28mm
【以下數據有SKF軸承官網提供】
服務電話:0512-62658883
恩梯必傳動是SKF軸承代理商,銷售SKF品牌關節軸承,SKF軸承關節軸承軸承是內徑:40mm、外徑:62mm、厚度:28mm的關節軸承,我們有充足的SKF GE40ES軸承庫存,如需關節軸承其他品牌替代軸承,您可來電咨詢GE40ES軸承價格表!
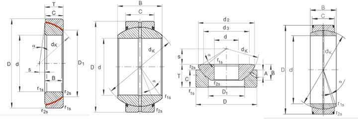
參數圖紙
相關型號
推薦型號
應用行業
主要尺寸
d
40
mm
-
D
62
mm
-
B
28
mm
-
C
22
mm
-
傾斜角
傾斜角
7
°
-
基本額定載荷
C
100000
N
動載荷
C
0
500000
N
靜載荷
重量
重量
320
g
-
型號
型號
GE 40 ES
-
-
相關型號
品牌
型號
內徑
外徑
厚度
SKF軸承
GE40ES軸承
40mm
62mm
28mm
SKF軸承
GE45ES軸承
45
68
32
SKF軸承
GE25ES軸承
25
42
20
推薦型號
品牌
型號
內徑
外徑
厚度
FAG軸承
NU2318E.TVP2軸承
90
190
64
FAG軸承
B7005E.X軸承
25
47
24
FAG軸承
B7004E.X軸承
20
42
24
FAG軸承
NU2317E.TVP2軸承
85
180
60
FAG軸承
B7007E.X軸承
35
62
28
FAG軸承
NU2316E.TVP2軸承
80
170
58
FAG軸承
B7008E.X軸承
40
68
30
FAG軸承
NU2315E.TVP2軸承
75
160
55
FAG軸承
NU2314E.TVP2軸承
70
150
51
FAG軸承
B7009E.X軸承
45
75
32
FAG軸承
NU2313E.TVP2軸承
65
140
48
FAG軸承
B7010E.X軸承
50
80
32
FAG軸承
B7011E.X軸承
55
90
36
FAG軸承
NU2312E.TVP2軸承
60
130
46
FAG軸承
B7012E.X軸承
60
95
36
FAG軸承
NU2311E.TVP2軸承
55
120
43
FAG軸承
B7013E.X軸承
65
100
36
FAG軸承
NU2310E.TVP2軸承
50
110
40
FAG軸承
NU2309E.TVP2軸承
45
100
36
FAG軸承
B7014E.X軸承
70
110
40
FAG軸承
NU2308E.TVP2軸承
40
90
33
FAG軸承
B7015E.X軸承
75
115
40
FAG軸承
B7017E.X軸承
85
130
44
FAG軸承
NU2307E.TVP2軸承
35
80
31
FAG軸承
B7020E.X軸承
100
150
48
FAG軸承
NU2306E.TVP2軸承
30
72
27
FAG軸承
B7022E.X軸承
110
170
56
FAG軸承
NU2305E.TVP2軸承
25
62
24
FAG軸承
NU2304E.TVP2軸承
20
52
21
FAG軸承
B7024E.X軸承
120
180
56
應用行業
廣泛應用于診察設備、牽引、矯正設備、監護設備、治療設備、醫護輔助設備、檢驗分析設備、手術專用設備、消毒滅菌設備、康復理療設備、醫用車、床、臺、其它未分類、原料藥設備及機械、飲片機械、膠囊充填機、制劑機械、藥用粉碎機械、藥品包裝機械、鋁塑包裝機、壓片機、制丸機、粉劑設備、包衣機、滴丸機、糖衣機、切藥機、口服液制藥設備、其他制藥設備、獸用器械、制藥設備、醫療設備、等領域。
關于恩梯必傳動
關于恩梯必傳動
組織架構
經營理念
NSK相關
NSK簡介
NSK樣本下載
NSK客戶服務
聯系方式
地 址:昆山市開發區偉業路8號69室
電 話:0512-62658883
手 機:18912792857 18912792856
郵 編:215000
型號查詢
杜絕假冒
當天發貨
專業配送
金牌服務